pn–pt 6:00–16:00

Końcówki kablowe

Producent końcówek i złączek kablowych do zaprasowywania na żyłach kabli

Wykonujemy i sprzedajemy dowolnie małe ilości
Ekspresowa produkcja końcówek nietypowych i wg indywidualnych wymiarów
Koszt przesyłki kurierskiej 19 zł netto
Uwaga: ze względu na wzrost ceny miedzi o 100% w ciągu roku i dalszy ciągły wzrost, wszystkie zamówienia są wyceniane indywidualnie.

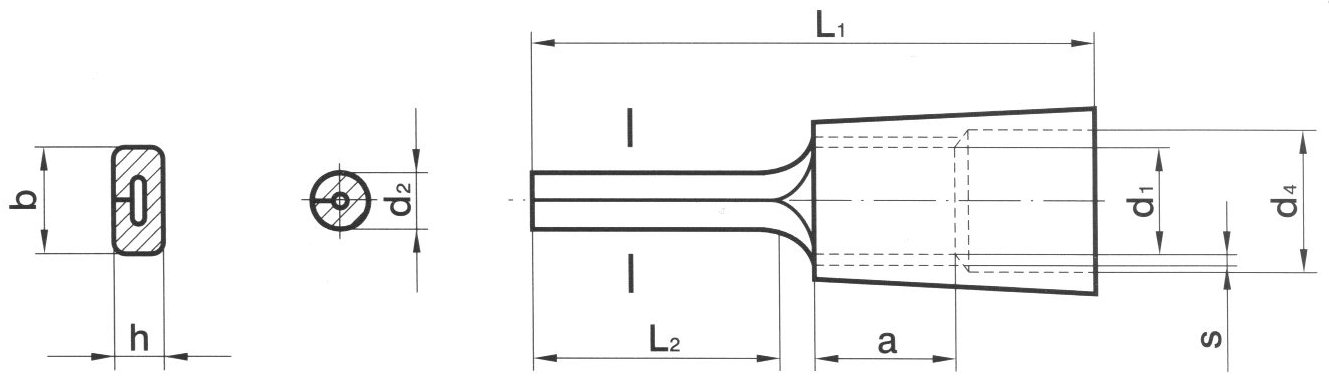
ZWY — końcówki kablowe wtykowe z izolacją

Końcówki kablowe wtykowe z izolacją

Zapytaj o wycenę
Zdjęcie produktu
Rysunek techniczny

Pokazuję 4 z 4 produktów

Przekrój żyły kabla [mm²] Oznaczenie Cena netto [zł/szt.] Uwagi
1; 1,5 ZWY 1 0,28
2,5 ZWY 2,5 0,29
4; 6 ZWY 6 0,45
10 ZWY 10 0,87